П-образный профиль PSL, L1000, толщ.1,5. Применяется для монтажа консолей, крепления к стене, подвеса на шпильках.
Описание
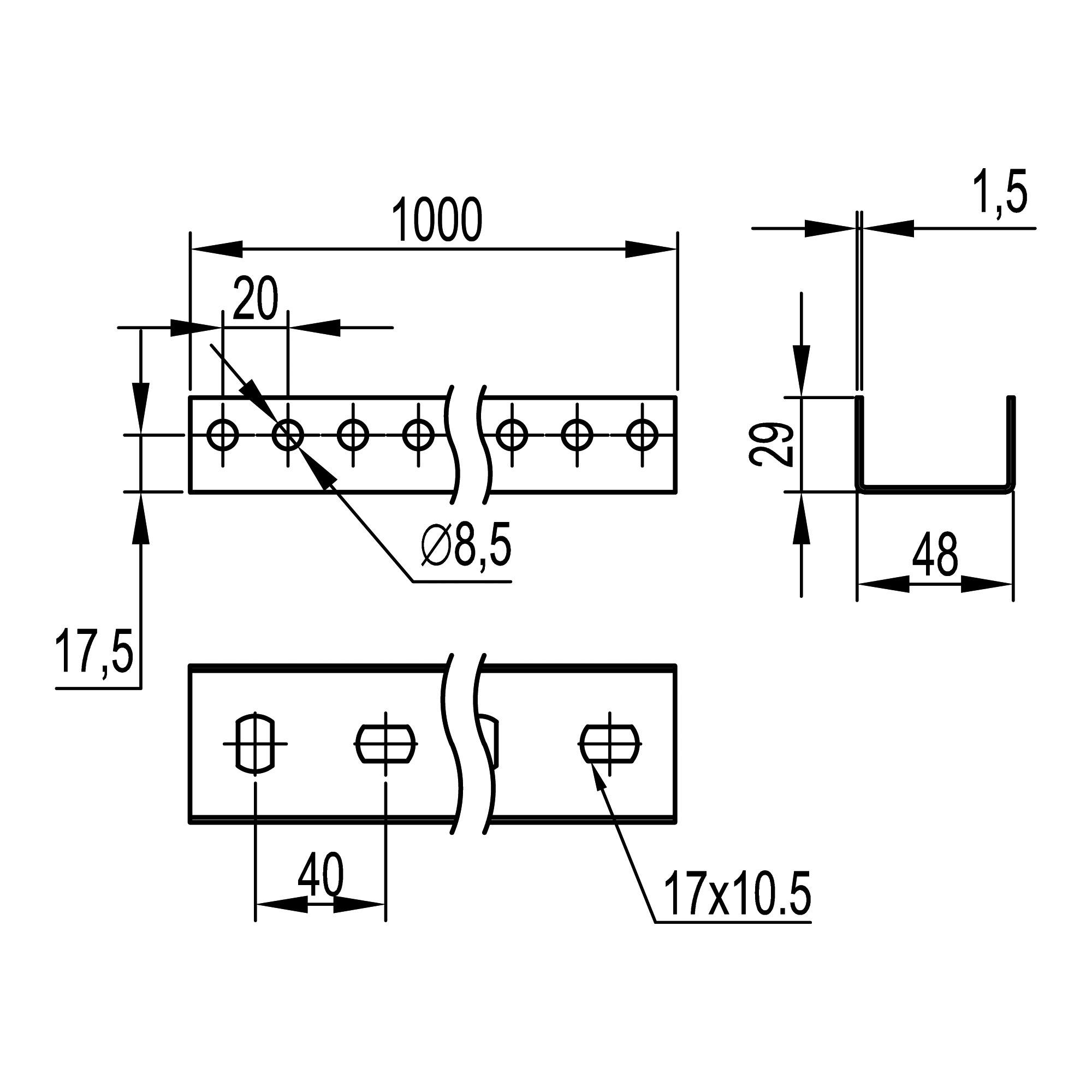
П-образный профиль PSL, L1000, толщ.1,5. Применяется для монтажа консолей BBL-40, BBL-50, BBM-50, крепления к стене, подвеса на шпильках, возможен монтаж в крепления BSV-29/BSF-29. Длина 1000 мм.
Детали
| Бренд | |
|---|---|
| Модель/исполнение | |
| Высота, мм | 29 |
| Защитное покрытие поверхности | Непрерывное холодное цинкование |
| Толщина металла, мм | 1,5 |
| С системой зубьев | |
| Длина, мм | |
| Материал | сталь |
| Тип перфорации | |
| Форма профиля | |
| Ширина прореза/щели, мм | |
| Ширина отверстия, мм | |
| Возможность отламывания отрезков | |
| Огнестойкость | |
| Ширина, мм |







