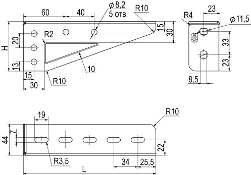
Консоль легкая осн.200 мм предназначена для монтажа трассы кабельных лотков шириной 200 мм.
Описание
Консоль легкая осн.200 мм для монтажа трассы кабельных лотков шириной 200 мм. Крепление к стене и в П-образные профили BPM-29, BPL-29. Для использования с П-образными профилями рекомендуется использовать болт М8х30 и гайку М8 с насечкой.




