АМЭК-1

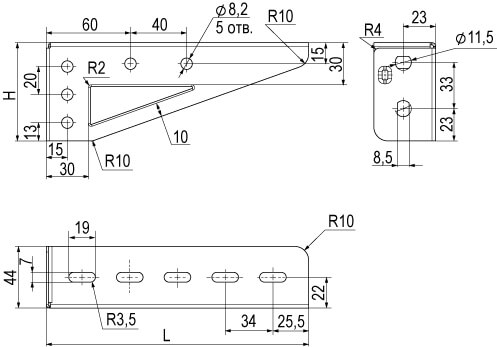
Консоль легкая осн.100 мм предназначена для монтажа трассы кабельных лотков шириной 100 мм. 

Артикул: BBL3010 Категория: Метка: Бренд:

Описание

Консоль легкая осн.100 мм предназначена для монтажа трассы кабельных лотков шириной 100 мм. Крепление к стене и в П-образные профили BPM-29, BPL-29. Для использования с П-образными профилями рекомендуется использовать болт М8х30 и гайку М8 с насечкой.

Детали

Бренд

Цвет

Модель/исполнение

Высота, мм

65

Защитное покрытие поверхности

Сталь оцинкованная по методу Сендзимира

Длина, мм

Материал

сталь

Несущая способность, кН

Огнестойкость